- Bildschirmansichten
Impressum

 

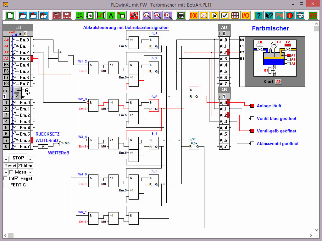
PLCwinXL-Schaltungsbeispiele von 1680x1024 auf 800x600 gezoomt. Der volle Arbeitsbereich ist ca. 4x so groß!

SPS Simulator

SPS Simulator

SPS Simulator

SPS Simulator

SPS Simulator

SPS Simulator

SPS Simulator

SPS Simulator

SPS Simulator

SPS Simulator

Home PLCwinXL