- Bauteilebibliothek

Impressum

 

Kombinatorische Bauteile:

UND*, ODER*, NICHT, NAND*, NOR*, XOR, P-Flanke, N-Flanke
* jeweils mit 2, 3 und 5 Eingängen

Sequentielle Bauteile:

Flipflop: SR und RS, S und R

S7-Timer: S_IMPULS, S_VIMP, S_EVERZ, S_SEVERZ, S_AVERZ

61131-Timer: TP, TON, TOF

( Schaltzeiten zwischen 0,1s und 1M_39S_900MS programmierbar )

Zähler: ZAEHLER, Z_VORW , Z_RUECK

( Zählwert zwischen 1 und 999 programmierbar )

Taktgenerator mit 2 Frequenzen

Ausgabe-Bauteile: 3 verschiedene Leuchtanzeigen, Dezimal-Anzeige, Würfel, Ampel, Wecker, Motor, Ausgabekontakt*
* Interface erforderlich
AS-Tools:

Alle Bausteine zur Programmierung von Ablauffunktionsplänen auch nach

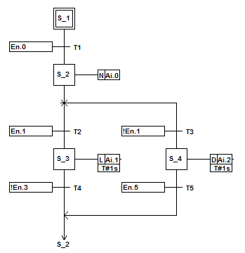
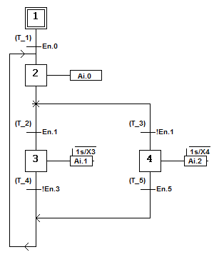
DIN EN 61131-3       oder            DIN EN 60848 ( GRAFCET ) :

 

z.B.:

Bausteine: Anfangsschritt, Transition, Folgeschritt, ST-Formel, Aktion, unbedingter Sprung, Simultanverzweigung und Alternativverzweigung

Ablauffunktionspläne können per S7-kompatibler AWL in andere SPS-Software übertragen werden!

Funktionsbaustein FB25 mit FC26

 

 

NEU: externe Modelle:

 

Dr. Kahlert-Modellpakete
    
PLCwin-Modelle:

Verkehrsampeln und beliebige

SPS-VISU-Modelle

  

  

Aufzüge, Garagentor und Getränkeautomat

  

  

Behälter und Becken
  
Presse und Schrittmotor
  
Prozess und Garagentor
   
2x7-Segmentanzeige, Codelineal ,Winkelcodierer und Codeschloss

  

  

Förderband und Sortierer
  

Drehstrommotor, Wendeschütz-Schaltung und Stern-Dreieck-Anlauf

 

  

 

Home PLCwinXL